??

1概述
SVV0300-4系列三相四線導軌式電能表系我公司采用微電子技術計量電能,采用進口專用大規模集成電路,應用數字處理技術及SMT工藝等先進技術研制開發的新型三相全電 子式電能表。其性能指標符合GB/T 17215.321-2008《Ⅰ級和2級靜止式交流有功電能表》、GB/T19582.Ⅰ-2008等國家標準的要求和完全符合IEC62053-21國際標準中Ⅰ級或2 級單相電能表的相關技術要求,可直接精確地測量電能計量中正向有功電能,由6+1位LCD顯示或者5+1位計度器顯示總用電量:具有可靠性高、體積小、重量輕、外表美觀、工藝先進、35mmDIN標準導軌方式安裝等特點;并具有良好的抗電磁干擾、低工耗節電、高精度、高過載、高穩定性、防竊電、長壽命。該表適用于計量額定頻率為50Hz或60Hz的單相交流有功電能、供固定安裝在堂內使用,適用于環境溫度不超過-25℃?+55℃,相耐濕度不大于95%,且空氣中不含有腐蝕氣體及避免塵沙、霉菌、鹽霧、凝露、昆蟲等影響。
2主要規格及技術參數:
2.1.電能表規格:
| 型號 | 準確度 | 額定電壓 Ub | 額定電流(A) |
| SVV0300系列 | Ⅰ級 | 3×220/380V | 3×1.5(6)A,3×5(20)A,3×10(40)A,3×15(60)A,3×20(80)A,3×30(100)A |
注:額定電流欄中,括號前的數值為標定電流值Ⅰb,括號內的數值為額定電大電流值Ⅰmax。









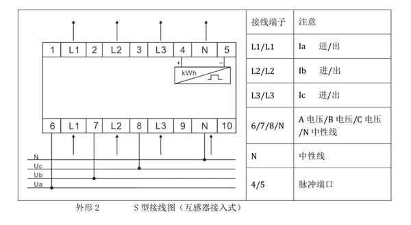
?測量方法
該電能表有光電耦合式電能脈沖測試輸出端口,位于接線端鈕盒上,將側試設備的+5VDC接到正極端子上,信號線 S 接到負極端子上即可。
運輸與貯存
1.電能表的運輸和拆封不應受到劇烈沖擊,并根據 ZBY002 -81《 儀器儀表運輸、貯存基本環境條件及試驗方法 》 之規定運輸、貯存。
2.電能表應保存在原包裝箱內,保存地方的環境溫度為- 30~+65 ℃ ,相對濕度不超過 95%,且在空氣中不含有足以引起腐蝕的氣體,環境溫度不應劇烈變化。
3.電能表應在原包裝的條件下,放置在臺架上,疊放高度不超過五箱,拆箱后單只包裝的電能表疊放高度不超過五只,內包裝(塑料袋)拆封后的電能表不宜貯存。
保證期限
該電能表自出廠日期起 18 個月內,若用戶發現電能表不符合上述特性及產品標準規定的技術要求,再制造商檢鉛封仍完整(或有關電力計量部門證明)并完全遵守本說明書中所規定的運輸、保存、安裝及使用規則的條件下出現質量問題,制造商給予免費修理或更換。